Mobile:+86 15890068607
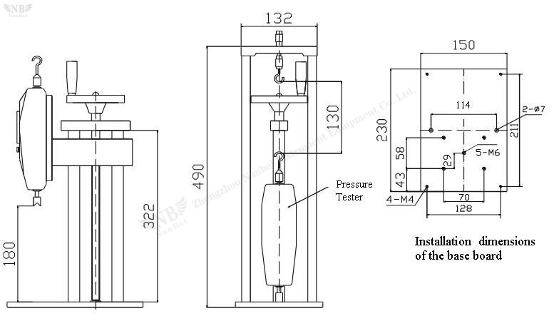
NANBEI ALX Screw test stand
Function of test stand:
ALX Screw test stand are fit to the domestic and imported NK, NLB, ALB series point type of mechanical force gauge
and HF series of digital mechanical force gauge, which are subject to the pull load and plug destructive force test,
also can be installed with steel gauge or digital gauge. Users can clearly observe the displacement when testing.
Parameters of test stand:
1:Maximum load:500N
2:Effective stroke:150 mm
4:Effective area of the test area:105×100 mm
5:Net weight: 9 kg
Install structure of test stand:
